Устройства этажные распределительные модульного типа серии УЭРМ (устройства стояковые учетно-распрсделительные серии УСУР) предназначены:
для приема, распределения и учета электроэнергии, защиты аппаратов устройств, отходящих линий от перегрузок и токов короткого замыкания в сетях с глухозаземлённой нейтралью трехфазного переменного тока напряжением 380/220В, частотой 50 Гц, а также для размещения устройств телефонных, радиотрансляционных, телевизионных сетей, интернет сетей и оборудования автоматической системы контроля учёта электроэнергии (АСКУЭ);
для защиты от поражения электрическим током при случайном прикосновении к токоведущим или нетоковедущим частям электрооборудования, оказавшимся под напряжением вследствие повреждения изоляции токоведущих частей, защиты от сверхтоков на вводе в квартиру;
для предотвращения возникновения пожаров от электрического тока, вызванных воспламенением изоляции проводов из-за чрезмерно больших токов нагрузки потребителей , путем непрерывного контроля тока утечки.
Щит УЭРМ состоит из:
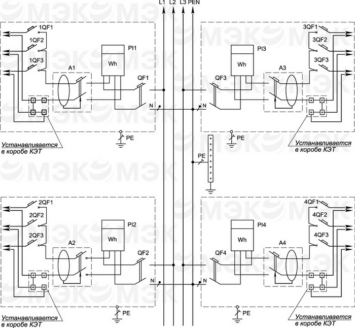
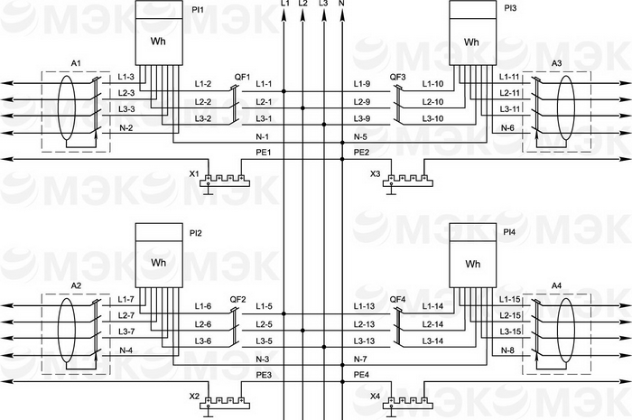
Ящики учетно-распределительные ЯУР представляют собой металлическую оболочку со степенью защиты со стороны обслуживания IP41, сваренную из листовой стали, в которых на крепёжных рейках устанавливаются приборы учёта, вводной аппарат и аппараты распределения. Дверь ящиков имеет окно для снятия показаний счетчика, закрытое прозрачным материалом, и замок с ключами. Ящики крепятся к коробам КЭТ и КСС, при помощи резьбовых крепежных элементов.
Ящики связи и сигнализации ЯСС представляют собой оболочку со степенью защиты со стороны обслуживания IP41, сваренную из листовой стали, в которых на рейках устанавливаются устройства связи и сигнализации. Ящики разделены съемной горизонтальной перегородкой на два отсека и имеют две двери с замками и ключами. В отсеках размещаются устройства телефонной, радиотрансляционной и телевизионной сетей, а также оборудованы автоматизированной системой учета электроэнергии. Ящики крепятся к коробам КЭТ и КСС, при помощи резьбовых крепежных элементов.
УЭРМ снабжён закладными крепежными элементами (для удобства крепления УЭРМ (УСУР) к стене, а также для придания дополнительной жёсткости конструкции УЭРМ (УСУР)) и двумя магистральными коробами (один короб электротехнический (КЭТ)и один короб связи и сигнализации (КСС)). Каркас УЭРМ представляет собой пространственную металлоконструкцию, сваренную из плоских и сделанных из гнутых листов элементов. Магистральные короба имеют съемные крышки. Для изменения высоты, короба устройства УЭРМ снабжаются компенсаторами.

1 - короб электротехнический; 2 - короб связи и сигнализации; 3 - щит учетно-распределительный; 4 - ящик для телевизионного оборудования; 5 - ящик для телефонного оборудования; 6 - ящик для сетей радиовещания и диспетчеризации; 7 - ящик для оборудования автоматизированной системы учета электропотребления;
Максимальное количество ящиков, установленных на каркасе УЭРМ четыре, минимальное один.
Возможны различные комбинации установки ящиков: справа или слева.
Независимо от количества щитов ЩУР на каркасе УЭРМ устанавливаются два щита ЯСС (четыре отсека).

Варианты исполнения корпусов УЭРМ
| Номинальное напряжение, В | 380 / 220 |
| Частота, Гц | 50 |
| Номинальный ток аппарата перед счетчиком электрической энергии, А | 63 |
| Номинальный ток вводного аппарата в квартиру | 31,5; 40; 50 |
Степень защиты по ГОСТ 14254-80:
|
|
| Установленный срок службы, лет | 15 |
Габаритные размеры, мм:
|
|
Климатическое исполнение УХЛ, категория размещения 4 по ГОСТ 15150-69, высота над уровнем моря 2000 м, температура окружающей среды от +5°С до +40°С при относительной влажности не более 60% при температуре +20°С. Окружающая среда не взрывоопасная и не содержащая агрессивных паров и газов в концентрациях, разрушающих металлы и изоляцию, не насыщенная токопроводящей пылью. Место установки устройства УЭРМ - защищенное от попадания воды и других жидкостей, непосредственного воздействия радиации, резких толчков (ударов) и сильной тряски. Рабочее положение в пространстве - вертикальное.
| 1. | Устройство УЭРМ, шт. | 1 |
| 2. | Ключи | к каждому замку |
| 3. | Паспорт, шт. | 1 |
| 4. | Руководство по эксплуатации, шт. | 1 |
По требованию заказчика количество паспортов, инструкций и ключей может быть изменено. Оборудованием средств связи и сигнализации заводом-изготовителем не комплектуется. Оно устанавливаются на объекте монтажными организациями.
Пример записи устройства при его заказе: “Устройство УЭРМ-43-50 УХЛ4” - Устройство УЭРМ на 4 квартиры с трехфазным вводом с правым расположением короба связи и сигнализации на номинальный рабочий ток вводного аппарата 50 А.
Пример записи устройства при его заказе: “Устройство УЭРМ-23-КЭТ-П-50 УХЛ4” - Устройство УЭРМ на 2 квартиры с трехфазным вводом, состоящим только из электротехнического короба КЭТ, с правым расположением ящиков ЯУР по отношению к коробу и номинальный рабочий ток вводного аппарата 50 А.
Пример записи устройства при его заказе: “Устройство УЭРМ-КСС-Я УХЛ4” - Устройство УЭРМ , состоящее только из короба связи и сигнализации КСС с ящиками.
![]() |
|